การต่อความต้านทานแบบผสม ต้องประกอบด้วยความต้านทานอย่างน้อย 3 ตัวขึ้นไป ที่มีการต่อความต้านทานอยู่ในลักษณะอนุกรม และขนานรวมกัน ตามภาพด้านล่าง
ในการต่อความต้านทานแบบผสม
เราจะสามารถหาค่าต่างๆ ในวงจรได้โดยการพิจารณาลักษณะการต่อของวงจรแต่ละส่วนว่าต่อกันอยู่ในลักษณะอนุกรมหรือขนาน
หากวงจรต่ออยู่ในลักษณะอนุกรมก็คิดคำนวณแบบอนุกรม หากวงจรต่ออยู่ในลักษณะขนานก็คิดคำนวณในแบบขนาน
เพราะลักษณะในการคิดคำนวณค่าต่างๆ จริงๆแล้วจะมีอยู่ 2 ลักษณะ คือ
อนุกรมและขนานเท่านั้น
จากวงจรด้านบนเราสามารถหาค่าต่างๆ ของวงจรได้ดังนี้
แรงดันตกคร่อม R2 และ Rt2 ซึ่งต่อขนานกันจะมีค่ากัน ซึ่งจะเท่ากับแรงดันที่จ่ายลบด้วยแรงดัน ที่ตกคร่อมที่ R1
หมายเหตุ ค่าที่ได้จากการคำนวณอาจคลาดเคลื่อนเล็กน้อยเนื่องจากตัวเลขบางตัวเป็นค่าประมาณจากการหารไม่ลงตัว
จากวงจรด้านบนเราสามารถหาค่าต่างๆ ของวงจรได้ดังนี้
1. ความต้านทานรวม ( Rt
)
การหาค่าความต้านทานรวมของวงจรผสม ให้เรามองลักษณะของวงจร
โดยการมองจากจุดที่ไกลจากแหล่งจ่ายแรงดันไฟฟ้าเข้าไปหาแหล่งจ่าย และรวมไปเรื่อยๆ จนกระทั่งเหลือความต้านทานตัวเดียว
ซึ่งหมายถึงความต้านทานรวมทั้งหมดของวงจรนั่นเอง
ตัวอย่างจากวงจรด้านบน
เราจะสามารถรวมความต้านทานได้จาก ความต้านทาน R4 และ R5 ต่อกันอยู่แบบขนานและมีความต้านทานเท่ากัน
จะสามารถรวมกันได้เป็น
Rt1 = R4
// R5
= 20 ÷ 2
= 10 W
สามารถเขียนวงจรใหม่ได้ดังนี้
เมื่อได้วงจรใหม่
เราก็มองวงจรต่อไปอีก จะเห็นว่า R3 และ Rt1
ต่อกันแบบอนุกรม
เราก็ใช้สูตรวงจรอนุกรมหาความต้านทานรวมของทั้งสองตัวอีก ได้ดังนี้
Rt2 = R3 + Rt1
= 5 + 10
= 15 W
สามารถเขียนวงจรใหม่ได้ดังนี้
เมื่อได้วงจรใหม่
เราก็มองวงจรต่อไปอีก จะเห็นว่า R2 และ Rt2
ต่อกันแบบขนาน เราก็ใช้สูตรวงจรขนาน
โดยใช้สูตรลัดกรณีความต้านทานเท่ากันใช้หาความต้านทานรวมของทั้งสองตัวอีก
ได้ดังนี้
Rt3 = R2 // Rt2
= 15 ÷ 2
= 7.5 W
สามารถเขียนวงจรใหม่ได้ดังนี้
เมื่อได้วงจรใหม่
เราก็มองวงจรต่อไปอีก จะเห็นว่า R1 และ Rt3
ต่อกันแบบอนุกรม
เราก็ใช้สูตรวงจรอนุกรมหาความต้านทานรวมของทั้งสองตัวอีก ได้ดังนี้
Rt = R1 + Rt3
= 10 + 7.5
= 17.5 W
สามารถเขียนวงจรใหม่ได้ดังนี้
เมื่อเหลือความต้านทานตัวสุดท้ายก็คือความต้านทานรวมทั้งหมดของวงจรนั่นเอง
ซึ่งในวงจรนี้ ความต้านทานรวมทั้งหมดของวงจรคือ 17.5 W
สำหรับผู้ที่มีความชำนาญที่ฝึกฝนมามากๆ
ที่มองวงจรเข้าใจ อาจไม่จำเป็นต้องทำตามขั้นตอนและเปลี่ยนวงจรไปทีละขั้นตอน
สามารถหาความต้านทานรวมได้ในขั้นตอนเดียวดังนี้
จากวงจร
Rt = R1 + ( R2 // (R3 + (R4 // R5)))
= 10 + (15 // (5 + (20 // 20)))
= 10 + (15 // (5 + (20 ÷ 2)))
= 10 + (15 // (5 + 10))
= 10 + (15 // 15)
= 10 + (15 ÷ 2)
= 10 + 7.5
= 17.5 W
ภาพจากการใช้ โปรแกรม Circuit Wizard ทดลองวัดค่าความต้านทานรวม
หมายเหตุ หากส่วนใดตัวต้านทานต่อกันแบบอนุกรม จะใช้เครื่องหมาย + (ให้นำความต่านทานมาบวกกันได้เลย)
หากส่วนใดตัวต้านทานต่อกันแบบขนาน จะใช้เครื่องหมาย // (ให้นำความต้านทานรวมกันแบบขนาน)
การคำนวณค่า ให้คำนวณในวงเล็บก่อน ตามลำดับ
2. กระแสไฟฟ้าทั้งหมดของวงจร ( It )
เมื่อเราหาความต้านทานรวมของวงจรได้แล้ว
เราก็จะสามารถหากระแสไฟฟ้าทั้งหมดของวงจรได้ดังนี้
It = E / Rt
= 25 ÷
17.5
= 1.43
A
3. หากระแสและแรงดันที่ตกคร่อมส่วนต่างๆ
เมื่อเรารู้ค่ากระแสที่ไหลทั้งหมดแล้ว
เราก็จะสามารถหากระแสะที่ไหลผ่านส่วนต่างๆ และแรงดันที่ตกคร่อมความต้านทานแต่ละตัวได้ต่อไป โดยการย้อนกลับจากแหล่งจ่ายไปท้ายวงจร ดังนี้
กระแสที่ไหลผ่าน R1
จะมีค่าเท่ากับ It
\ IR1 = 1.43 A
แรงดันตกคร่อม R1 จะมีค่าเท่ากับ
VR1 = IR1R1
= 1.43 x 10
= 14.3 V
VR2 = E - VR1
= 25 -14.3
= 10.7 V
ดังนั้นกระแสที่ไหลผ่าน
R2 จะมีค่าเท่ากับ
IR2
= VR2 / R2
= 10.7 ÷ 15
=
0.715 A
หรือหาได้จาก กระแสทั้งหมด
เมื่อผ่าน R1 จะแยกออกไปเป็นสองทาง คือ R2 และ Rt2 ซึ่งมีความต้านทานเท่ากัน
ดังนั้นกระแสจะแยกไปเท่ากัน
\ IR2 = IRt2
= It / 2
= 1.43 ÷ 2
=
0.715 A
แรงดันตกคร่อม R2
จะมีค่าเท่ากับ
VR2 = IR2R2
= 0.715 x 15
= 10.7 V
กระแสที่ไหลผ่าน
R3 จะมีค่าเท่ากับ
IR3
= It - IR2
= 1.43 - 0.715
=
0.715 A
หรือ
กระแสที่ไหลผ่าน R3 จะมีค่าเท่ากับ IRt2
\ IR3
= IRt2
=
0.715 A
แรงดันตกคร่อม R3
จะมีค่าเท่ากับ
VR3 = IR3R3
= 0.715 x 5
= 3.575 V
หากระแสที่ไหลผ่าน R4 และ R5
จากวงจร R4 และ R5
มีค่าเท่ากัน กระแสที่ไหลผ่านมาจาก
R3 จึงแยกไหลไปเท่ากัน
\
IR4 = IR5 = IR3 / 2
= 0.715 ÷ 2
= 0.3575 A
หาแรงดันที่ตกคร่อม R4 และ R5
เนื่องความต้านทานทั้งสองต่อกันแบบขนาน จึงได้รับแรงดันเท่ากัน
ซึ่งมีค่าเท่ากับแรงดันที่ตกคร่อม R2 ลบด้วยแรงดันที่ตกคร่อม R3
\ VR4 = VR5 = VR2 - VR3
= 10.7 – 3.575
= 7.125 V
หรือหาได้จากสูตร
VR4 = IR4R4
= 0.3575 x 20
= 7.15 V
VR5 = IR5R5
= 0.3575 x 20
= 7.15 V
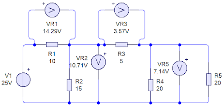
ภาพจากการใช้ โปรแกรม Circuit Wizard ทดลองวัดค่าแรงดันคร่อมจุดต่างๆ








ความคิดเห็น
อธิบายได้ละเอียดมากครับ